Vodoodporni modul MN Miniled 1LED White
moč/modul: 0,36 W
napetost: 12 V
vodoodpornost: IP67
ŠIFRA ARTIKLA: NA0205210
MN MiniLed 1LED modul je primeren za uporabo v ožjih profilih, za izdelavo svtelobnih črk. Vodoodporni mini modul ima ovalno lečo s kotom svetilnosti 170° po dolžini in 130° po širini, ki svetlobo učinkovito in enakomerno razprši po profilu. Majhnost modula omogoča fleksibilne namestitve.
Začasna namestitev je mogoča s pomočjo dvostranskega lepilnega traku, pritrjenega na zadnji strani modula. Za stalno namestitev je priporočljiva dodatna uporaba silikona.
Moduli so primerni za enostransko - backlite osvetlitev, priporočena globina napisa, oz. profilov je od 25 do 80 mm.
Osvetljujete lahko svetlobne napise, svetlobne črke oz. svetlobne profile vseh vrst.
Garancija za mini modul MN MiniLed 1LED modul je 4 leta (garancijski list).
| dimenzija | 16 x 8,5 x 8 mm |
| dolžina žice med moduli | 35 mm |
| dolžina med moduli | 50 mm |
| št. modulov na verigi | 100 |
| kot svetilnosti | 170˚x 130° |
| barva | bela, 6500K |
| svetilnost/modul | 42 lm |
| moč/modul | 0,36 W |
| vodoodpornost | IP67 |
| temperatura uporabe (Ta) | -25°do 55°C |
| max. temperatura modula (Tc) | 80°C |
| vhodna napetost | 12 V DC |
| max. št. modulov vezanih skupaj | 100 |
| povprečna življenska doba | 50.000 h |
| št. modulov na m² | cca. 60 modulov |
| globina table/profila | 25-80 mm |
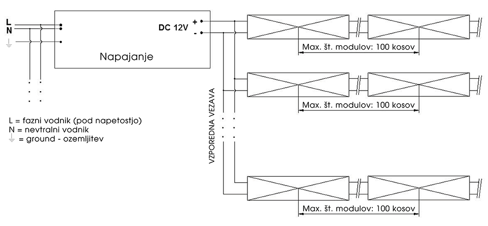
Vezava modulov
Največje število modulov, ki jih lahko vežete v eni zanki, je 100. Verigo modulov se sme rezati tudi na manjše enote, in sicer na vsak modul.
Za pozicioniranje modulov si pomagate s samolepilnim trakom na vsakem modulu. Za fiksno pritrditev modulov je priporočljiva dodatna uporaba silikona. Konec zanke zaključite tako, da bo pravilno izolirana.
Module vedno nameščate na materiale, ki dobro prevajajo temperaturo.
Zaradi nihanja napetosti na omrežju in zunanjih dejavnikov je priporočljivo, da za brezhibno delovanje verige uporabite napajalnik, ki ima vsaj 20% več moči, kot je skupna moč vezanih modulov.
Dimenzije
Modul Miniled je izredno mahjen, primeren za male in ozke kanale
Koti svetenja po dolžini in širini
Ovalna leča omogoča odlično svetilnost malega LED modula
Pritrditev modula
Čez modul poteka neprekinjena žica, kar zmanjša padec napetosti.
Primer uporabe LED modula
Miniled moduli so odlični za uporabo v svetlobnih črkah.
Delovni čas

Naši poslovni prostori so Ob železnici 16 v Ljubljani.
Mimo železniške in avtobusne postaje se po Masarykovi in nato Šmartinski cesti peljete proti BTC-ju. Na križišču s Pokopališko ulico zavijete desno (levo bi zavili proti ljubljanskim Žalam). Po Pokopališki se peljete do železnice, kjer pred železniškimi tiri zavijete levo. Po približno sto metrih boste na levi strani zagledali zastave in poslovno stavbo našega podjetja.
Ko zapustite obvoznico na izhodu Nove Jarše, zavijete na Šmartinsko cesto, smer center. Vozite naravnost do križišča s Pokopališko ulico, kjer zavijete levo (desno bi zavili proti ljubljanskim Žalam). Po Pokopališki se peljete do železnice, kjer pred železniškimi tiri zavijete levo. Po približno sto metrih boste na levi strani zagledali zastave in poslovno stavbo našega podjetja.
Ko zapustite obvoznico na izhodu Tomačevo, zapeljete na Tomačevsko cesto in se mimo Stožic skozi dva rondoja peljete do rondoja Žale. Na rondoju izberete izhod na Pokopališko ulico in se po njej peljete čez Šmartinsko cesto naravnost do železnice, kjer pred železniškimi tiri zavijete levo. Po približno sto metrih boste na levi strani zagledali zastave in poslovno stavbo našega podjetja.