Vodoodporni modul MN BackLight 7LED White
moč/modul: 6 W
napetost: 24 V
vodoodpornost: IP66
ŠIFRA ARTIKLA: NA0600310
MN BackLight 7LED modul je primeren za uporabo v enostranskih tablah oz. pri izdelavi napisov oz. črk. Vodoodporni modul ima širokokotno lečo s kotom svetilnosti 175, ki svetlobo enakomoreno in zelo učinkovito razprši. Zahvaljujoč odlični zasnovi leč, z modulom dosežemo onakomerna optično zmogljivost pri veliki razdalji.
Začasna namestitev je mogoča s pomočjo dvostranskega lepilnega traku, pritrjenega na zadnji strani modula. Za stalno namestitev je priporočljiva uporaba vijakov.
Moduli so primerni za enostransko - backlite osvetlitev. Priporočena globina table, napisov oziroma črk je od 75 do 250 mm za dobra difuzna platna, oz. 120 do 250 mm za mlečno bela pleksi stekla.
Osvetljujete lahko svetlobne table, svetlobne črke, svetlobne napise itd.
Garancija za MN BackLight 7LED modul je 5 let (garancijski list).
| dimenzija | 88 x 97 x 9,29 mm |
| dolžina žice med moduli | 493 mm |
| dolžina med moduli | 590 mm |
| št. modulov na verigi | 10 |
| kot svetilnosti | 175° |
| barva | bela, 6500K |
| svetilnost/modul | 900 lm |
| moč/modul | 6 W |
| vodoodpornost | IP66 |
| temperatura uporabe (Ta) | -25°do 60°C |
| max. temperatura modula (Tc) | 80°C |
| vhodna napetost | 24 V DC |
| max. št. modulov vezanih skupaj | 20 |
| povprečna življenska doba | 50.000 h |
| št. modulov na m² | cca. 4 - 6 modulov |
| globina table/profila | 75-250 mm |
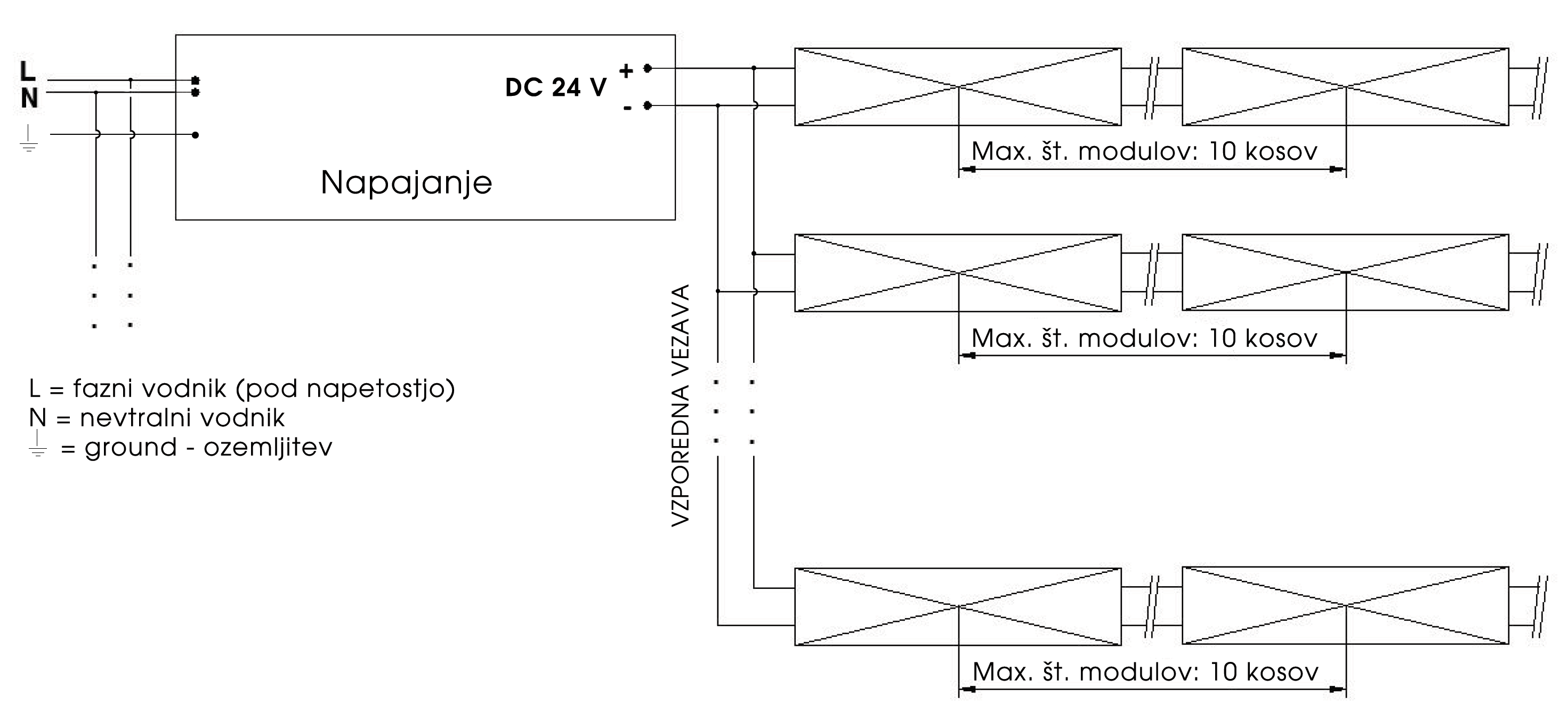
Vezava modulov
Največje število modulov, ki jih lahko vežete v eni zanki, je 10. Verigo modulov se sme rezati tudi na manjše enote, in sicer na vsak modul.
Za pozicioniranje modulov si pomagate s samolepilnim trakom na vsakem modulu. Za fiksno pritrditev modulov je priporočljiva dodatna uporaba silikona. Konec zanke zaključite tako, da bo pravilno izolirana.
Module vedno nameščate na materiale, ki dobro prevajajo temperaturo.
Zaradi nihanja napetosti na omrežju in zunanjih dejavnikov je priporočljivo, da za brezhibno delovanje verige uporabite napajalnik, ki ima vsaj 20% več moči, kot je skupna moč vezanih modulov.
Kot Svetenja
Odlična izdelava modula in po zaslugi posebne micro leče ima modul širok kot svetenja, kar 175°.
Učinkovitost
MN BackLight 7LED moduli so izredno visoko učinkoviti, tako optično kot energetsko.
Dimenzije
Tehnična skica modula z dimenzijami.
Delovni čas

Naši poslovni prostori so Ob železnici 16 v Ljubljani.
Mimo železniške in avtobusne postaje se po Masarykovi in nato Šmartinski cesti peljete proti BTC-ju. Na križišču s Pokopališko ulico zavijete desno (levo bi zavili proti ljubljanskim Žalam). Po Pokopališki se peljete do železnice, kjer pred železniškimi tiri zavijete levo. Po približno sto metrih boste na levi strani zagledali zastave in poslovno stavbo našega podjetja.
Ko zapustite obvoznico na izhodu Nove Jarše, zavijete na Šmartinsko cesto, smer center. Vozite naravnost do križišča s Pokopališko ulico, kjer zavijete levo (desno bi zavili proti ljubljanskim Žalam). Po Pokopališki se peljete do železnice, kjer pred železniškimi tiri zavijete levo. Po približno sto metrih boste na levi strani zagledali zastave in poslovno stavbo našega podjetja.
Ko zapustite obvoznico na izhodu Tomačevo, zapeljete na Tomačevsko cesto in se mimo Stožic skozi dva rondoja peljete do rondoja Žale. Na rondoju izberete izhod na Pokopališko ulico in se po njej peljete čez Šmartinsko cesto naravnost do železnice, kjer pred železniškimi tiri zavijete levo. Po približno sto metrih boste na levi strani zagledali zastave in poslovno stavbo našega podjetja.